Материал нашел и подготовил к публикации Григорий Лучанский
Источник: Академия коммунального хозяйства имени К.Д. Памфилова. Инж. А.Л. Веников и канд. техн. наук инж. П.Д. Вознович. Отопительные печи малой теплоемкости. Издательство Наркомхоза РСФСР. Москва, Ленинград, 1943 г.
Введение
До последнего времени в области печного отопления внимание конструкторов направлялось, главным образом, на разработку печей большой и средней теплоемкости.
Между тем, в условиях войны и в связи с задачами быстрого восстановления жилищного хозяйства печи малой теплоемкости в ряде случаев являются более приемлемым решением отопления, так как могут быть построены в более короткий срок и с затратой меньшего количества материалов.
Академией коммунального хозяйства было просмотрено до 300 решений печей малой теплоемкости. Среди них имеются удачные конструкции, есть и повторяющие одна другую с несущественными вариациями. Встречаются конструкции неудовлетворительные — сложные или требующие для изготовления печей дефицитных материалов.
От некоторых вполне рациональных конструкций пришлось отказаться именно по указанным причинам.
Отобранные конструкции в основном, за исключением двух-трех печей, разработаны Квартирно-эксплуатационным и Глазным военно-инженерным управлениями РККА. Печи этих организаций проверены на практике, и их конструкции исправлены по данным эксплуатации.
Настоящее издание охватывает также типы искроуловителя и экономайзера для дачей, с указанием правил и приемов их установки.
Работа выполнена старшим научным сотрудником Академии коммунального хозяйства инж. А.Л. Вениковым под руководством кандидата технических наук инж. П.Д. Возновича.
Книга рассчитана на широкий круг потребителей во всех районах СССР.
I. Подбор печей малой теплоемкости
1. Область применения печей малой теплоемкости
Печи малой теплоемкости применяются всюду, где необходим быстрый нагрев помещения:
а) в помещениях временного характера: в землянках, бараках, палатках, в сторожевых будках и т.д.;
б) в помещениях, где капитальное отопление не работает или работает недостаточно;
в) в вагонах и в других видах перемещаемого жилья;
г) в жилых помещениях в местностях с мягким климатом, где на большую часть времени года надобности в отеплении нет и печи могут быть убраны;
д) в помещениях, где по конструктивным соображениям нельзя поставить массивную печь;
е) в помещениях с периодическим пребыванием людей: в мастерских, бомбоубежищах и т.д.
2. Классификация печей малой теплоемкости
Все основные типы печей с относящимися к ним вариантами разделяются на следующие четыре группы в зависимости от материала, из которого печи изготовляются.
Группа 1-я — железные печи типов с № 1 п о № 7 включительно (из них № 4 и 5 с футеровкой, остальные без футеровки):
а) № 1, 2, 3, 5 — кустарного производства, переносные.
б) № 4, 6 — заводского изготовления, разборные,
в) № 7 — железные, специально для убежищ.
Группа 2-я — чугунные печи типов с № 8 по № 11 включительно. Все заводского изготовления, из них № 9, 11 — разборные.
Группа 3-я — кирпичные с № 12 по № 17 включительно, из них:
а) № 12, 13 — времянки с тонкими стенками,
б) № 14 — времянки с плитой,
в) № 15 — времянки с плитой и духовым шкафом,
г) № 16 — времянки с экономайзером,
д) № 17 — трубные.
Группа 4-я — печи типа № 18 — земляные (камины).
Печи типов № 1, 2, 3, 6, 7 — железные и типов № 8, 9, 10 и 11 — чугунные нагреваются тотчас после затопки и остывают почти одновременно с окончанием топки.
Печи типов с № 12 по № 16 — кирпичные, нагреваются также быстро и остывают через 1—3 часа после скончания топки.
К любой печи может быть присоединен искроуловитель или экономайзер, являющийся в то же время искроуловителем.
Экономайзер малой теплоемкости увеличивает теплоотдачу печи, но не меняет ее теплоемкости. Введение в цилиндр экономайзера насадки в той или иной степени переводит печь из прибора малой теплоемкости в прибор большой или средней теплоемкости.
Все перечисленные печи быстро прогреваются, просты по своей конструкции и занимают мало места. Металлические печи легки и без труда могут быть перемещены.
Главные недостатки печей малой теплоемкости следующие: низкий коэффициент полезного действия, необходимость частой или длительной топки, высокая температура поверхностей и обусловленное этим пригорание пыли, неравномерность создаваемой в помещениях температуры.
3. Приближенные способы определения потерь тепла помещениями для подбора печей малой теплоемкости
Подбор печей производится по величине теплопотерь помещений, так как печь должна иметь часовую теплоотдачу, несколько (на 5—10%) превышающую часовую теплопотерю помещения.
Точный расчет теплопотерь помещений производится согласно ОСТ 90008—39 «Нормы определения потерь тепла через ограждения зданий и расчетных температур».
Приближенное определение теплопотерь помещений можно производить способами, предложенными инж. Ковалевским и инж. Лаппа-Старженецким.
Способ подсчета теплопотерь помещениями (инж. Ковалевского)
Для подсчета теплопотерь по этому способу принято:
f — площадь пола помещения в м2,
К— всеобщий коэфициент теплопередачи стен в ккал/м2·час °С;
a — коэффициент расчетной температуры наружного воздуха;
b — коэффициент высоты помещения.
Подсчет производится с применением табл. 1.
Таблица 1
Подсчет теплопотерь (ккал/час) помещением, с учетом его размеров и места расположения в плане дома
|
Помещения
|
Одноэтажные здания
|
Двухэтажные здания
|
Лестничная клетка
|
|
f>10 м2
|
f£10 м2
|
f>10 м2
|
f£10 м2
|
f>10 м2
|
f£10 м2
|
|
1-й этаж
|
2-й этаж
|
|
1. Неугловое помещение, одна стена наружная
|
95fКab
|
70fab
|
68fКab
|
60fab
|
115fКа
|
63fКa
|
15fa
|
|
2. Угловое помещение, один угол наружный
|
136fКab
|
110fab
|
115fКab
|
80fab
|
115fКа
|
63fКa
|
12fa
|
|
3. Угловое помещение, два угла наружные
|
150fКab
|
110fab
|
127fКab
|
80fab
|
115fКа
|
63fКa
|
—
|
|
4. Тамбур
|
160fКab
|
400fab
|
—
|
—
|
—
|
—
|
—
|
Примечание. Теплопотери лестничной клетки прибавляются к теплопотерям помещения, имеющего общую стену с лестничной клеткой.
Как видно из таблицы, все помещения разделяются следующим образом: 1) по площади пола на две группы:
а) группа с площадью пола более 10 м2;
б) группа с площадью пола равной или менее 10 м2;
для группы «а» в формулу теплопотерь входит общий коэффициент теплопередачи стен К, а для группы «б» этот коэффициент в формулу не входит;
2) по месторасположению помещений в плане дома, с учетом количества охлаждающихся внешних поверхностей.
Величины коэффициентов расчетной температуры наружного воздуха (a) и высоты помещения (b) принимаются согласно табл. 2.
Таблица 2
Величины коэффициентов
|
Стена
|
К
|
Район СССР
|
Расчетная температура наружного воздуха в °С
|
a
|
Высота помещения от—до в м
|
b
|
|
Кирпичная в 2,5 кирпича
|
0,9
|
1-й
|
—35
|
1,35
|
2,5
|
0,85
|
|
Кирпичная в 2 кирпича
|
1,1
|
2-й
|
—30
|
1,00
|
3,0
|
0,90
|
|
Кирпичная в 1,5 кирпича
|
1,3
|
3-й
|
—20
|
0,85
|
3,2
|
1,00
|
|
Деревянная рубленая в 27 см
|
0,6
|
4-й
|
—10
|
0,75
|
3,2—4
|
1,15
|
|
Деревянная рубленая в 22 см и т.д. берется по таблицам ОСТ90008—39
|
0,7
|
—
|
—
|
—
|
—
|
—
|
|
|
1-й район — северная часть Европейской СССР и Сибирь.
2-й район — центральная часть СССР.
3-й район — южная часть СССР.
4-й район — юг Кавказа.
|
Способ подсчета теплопотерь помещениями (инж. Лаппа-Старженецкого)
Этот способ подсчета теплопотерь проще предыдущего, но менее точен, и применим для помещений с кирпичными наружными стенами толщиной не менее 2,5 кирпичей (общий коэффициент теплопередачи не более 0,9 ккал/м2·час °С) и высотой помещений не белее 3,0 м.
Для подсчета теплопотерь помещений по этому способу необходимо знать следующие величины:
f — площадь пола помещения в м2,
tн — расчетная температура наружного воздуха в районе, в котором находится отапливаемое помещение (расчетные температуры наружного воздуха для проектирования отопления даны в ОСТ 90008—39).
Подсчет производится с применением табл. 3.
Таблица 3
|
Район СССР
|
Наружная температура в °С
|
Разность внутренней и наружной температуры в °С
|
Теплопотери в кал/час
|
|
Помещения
|
|
неугловое
|
угловое
|
|
одна стена холодная
|
один угол наружный
|
два угла наружных
|
|
1
|
—35
|
53
|
53f
|
80f
|
90f
|
|
2
|
—30
|
48
|
48f
|
72f
|
80f
|
|
3
|
—20
|
38
|
38f
|
57f
|
63f
|
|
4
|
—10
|
28
|
28f
|
42f
|
47f
|
Оба способа подсчета теплопотерь помещений неточны, и результаты подсчетов по обоим способам получаются различные; однако для подбора печей малой теплоемкости можно пользоваться тем и другим способом, так как неточность подсчетов может корректироваться увеличением или уменьшением количества или продолжительности топок в сутки.
4. Таблицы для подбора печей
Для подбора печей по подсчитанным теплопотерям можно пользоваться табл. 4 и 5.
В случае отсутствия в табл. 5 данных для печи требуемой теплоотдачи надо изменить размеры, указанные на их чертежах, чтобы получить поверхность, исходя из нормы теплосъема согласно табл. 4.
Таблица 4
Теплосъем с 1 м2 поверхности печей малой теплоемкости
|
Материал печи
|
Теплосъем в ккал/м2 час
|
|
при топке
|
|
антрацитом, каменным углем
|
дровами, торфом, бурым углем
|
|
Железные и чугунные печи без ребер
|
2800—3000
|
2000—2200
|
|
То же, с наружными ребрами
|
4000—4400
|
3000—3300
|
|
То же, с наружными и внутренними ребрами
|
6600—7000
|
5000—5200
|
|
Кирпичные со стенками в 0,5 кирпича
|
650—700
|
550—600
|
|
Железные трубы
|
1000
|
800
|
Определив необходимую теплоотдающую поверхность печи, составляют эскиз ее, пользуясь типовыми чертежами печей.
Чертежи и описания даны для основного (№ 1) варианта каждого типа печи, на остальные варианты даны таблицы размеров.
Для удобства подбора и быстрой ориентировки дается сводная табл. 5 для подбора печей малой теплоемкости.
Материалы и приборы для печей (кровельное и сортовое железо, печная гарнитура, кирпич, плитки и пр.) могут применяться старые, например, полученные при разборке разрушенных и поврежденных зданий.
Для пригодности кровельное железо, кирпич, плитки и другие материалы, а также печная гарнитура не должны иметь трещин, прогоревших или сильно проржавленных мест и других пороков, нарушающих прочность материалов.
II. Описание печек
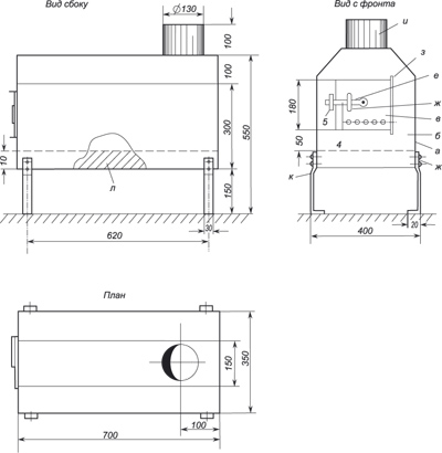
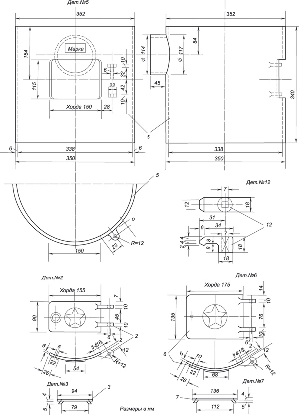
5. Тип № 1. Печь железная прямоугольная (фиг. 1)
Топливо: дрова, хворост, древесные отходы.
У печей типа № 1 верх выполнен со скосами для придания корпусу печи большей жесткости. Однако можно делать верх прямым, укрепляя стенки наклепыванием полос жесткости, чем достигается увеличение верхней теплоотдаюшей поверхности.
Верхняя поверхность печи используется для получения кипятка, приготовления и разогревания пищи.
Материалом для этих печей служат кровельное железо и небольшое количество железной проволоки, диаметром от 2 до 3 мм и кирпича или глины.
Габариты печи № 1 (вариант 1-й) позволяют изготовить ее корпус из целого листа кровельного железа с соединением краев листа на фальцах продольным швом. При изготовлении печи № 1 получается минимальное количество обрезков. Для других вариантов расход железа меняется в зависимости от изменения размеров печи.
Таблица 5
Сводная таблица для подбора печей малой теплоемкости
|
Название печи
|
Тип №
|
Вариант №
|
Теплоотдача в ккал/час
|
Изготовление печи
|
|
Железная прямоугольная
|
1
|
1
2
3
4
5
|
2200—2400 1800—1900 1600—1700 1400—1500 1100—1200
|
Кустарное
|
|
Железная цилиндрическая с колосниковой решеткой
|
2
|
1
2
3
4
5
6
|
2000—2100 1800—1900 1500—1600 1200—1300 1000—1100 700—800
|
Кустарное
|
|
Железная прямоугольная с духовым шкафом
|
3
|
1
2
3
4
5
|
2300—2400 3000—3100 1900—2000 1750—1850 1600—1700
|
Кустарное
|
|
Железная прямоугольная
|
4
|
—
|
3400—3500
|
Заводское
|
|
Железная прямоугольная
|
5
|
1
2
3
4
5
|
2200—2300 2000—2100 1900—2000 1700—1800 1600—1700
|
Кустарное
|
|
Железная прямоугольная, разборная
|
6
|
—
|
500—550
|
Заводское
|
|
Железная цилиндрическая для убежищ
|
7
|
1
2
3
4
|
1200—1300
1400—1500
2000—2100
2500—2600
|
Заводское
|
|
Чугунная цилиндрическая
|
8
|
—
|
700—850
|
Заводское
|
|
Чугунная цилиндрическая, переносная
|
9
|
—
|
900—1000
|
Заводское
|
|
Чугунная прямоугольная
|
10
|
—
|
500—600
|
Заводское
|
|
Чугунная прямоугольная, разборная
|
11
|
—
|
1200—1300
|
Заводское
|
|
Кирпичная прямоугольная с глухим подом
|
12
|
1
2
3
4
5
|
1400—1500
1200—1300
1000—1100
1000—1100 (с плитой)
900—1000
|
Кустарное
|
|
Кирпичная прямоугольная без плиты или с плитой и колосниковой решеткой
|
13
|
1
2
3
4
|
1500—1600
1700—1900 (с плитой)
1300—1400
1500—1600 (с плитой)
|
Кустарное
|
|
Кирпичная времянка-плита
|
14
|
1
2
3
4
|
1200—1300 1400—1500 1000—1100 800—900
|
Кустарное
|
|
Кирпичная печь-плита с духовым шкафом
|
15
|
—
|
1800—2000
|
Кустарное
|
|
Кирпичная прямоугольная с железным экономайзером-искрогасителем
|
16
|
—
|
5700—6000
|
Кустарное
|
|
Кирпичная с отопительной трубой
|
17
|
—
|
—
|
Кустарное
|
|
Земляная печь-камин
|
18
|
—
|
—
|
Кустарное
|
|
Искроуловитель
|
—
|
—
|
—
|
Кустарное
|
|
Экономайзер
|
—
|
—
|
—
|
Кустарное
|
Дно печи во избежание прогорания имеет футеровку — выстилку кирпичом (плашмя), плитками или глиняной смазкой.
Для отвода дыма вверху печи имеется железный патрубок, вделанный в соответствующее отверстие. Общая длина труб для отвода дыма не должна превышать 10 м (лучше 7 м), чтобы избежать конденсации паров в трубе. В зависимости от расположения печи, а также для увеличения верхней теплоотдающей поверхности патрубок может быть вделан в торцовую или в боковую стенку печи.

Фиг. 1.
Для притока воздуха к топливу в нижней части топочной дверки предусматриваются отверстия. Патрубком печь присоединяется к железной дымовой трубе, которая нагревается проходящими дымовыми газами и увеличивает теплоотдачу печи сверх указанной в табл. 5.
Печи типа № 1 могут ставиться совместно с цилиндрическим экономайзером, аналогично печи типа № 16 (описанной ниже). Характеристика печи типа № 1 дана в табл. 6.
Таблица 6
Характеристика печи типа № 1
|
Варианты №
|
Габариты в м
|
Теплоотдающая поверхность в м2
|
Теплоотдача в ккал/час
|
Примечания
|
|
длина
|
ширина
|
высота
|
|
общая
|
активная
|
|
1
|
0,7
|
0,35
|
0,55
|
0,40
|
0,88/0,24
|
2200—2400
|
Нижняя цифра в графе «Теплоотдающая поверхность» относится к дну печи
|
|
2
|
0,5
|
0,35
|
0,55
|
0,40
|
0,76/0,17
|
1800—1900
|
Дрова для печи берутся не более следующей длины: для варианта № 1 — 65 см, № 2, № 3 и № 4 — 45 см, № 5 —35 см
|
|
3
|
0,5
|
0,35
|
0,50
|
0,35
|
0,70/0,17
|
1600—1700
|
|
4
|
0,5
|
0,35
|
0,45
|
0,30
|
0,64/0,15
|
1400—1500
|
|
5
|
0,4
|
0,30
|
0,45
|
0,30
|
0,48/0,12
|
1000—1100
|
Спецификация материалов для варианта № 1 печи типа № 1 дана в табл. 7.
Таблица 7
Спецификация материалов для варианта № 1 печи типа № 1
|
№ по пор.
|
Детали
|
Материалы
|
|
название
|
количество
|
название
|
размер заготовки на одну деталь в мм
|
количество на все детали
|
|
1
|
Боковая стенка
|
1
|
Кровельное железо
|
1420х710
|
1 лист
|
|
2
|
Торцовые стенки
|
2
|
То же
|
410х360
|
0,70 листа
|
|
3
|
Дверца
|
1
|
То же
|
200х180
|
0,04 листа
|
|
4
|
Защелка
|
1
|
То же
|
15х120
|
Из обрезков
|
|
5
|
Скобочка
|
1
|
То же
|
10х30
|
То же
|
|
6
|
Хомутик
|
1
|
То же
|
10х45
|
То же
|
|
7
|
Заклепки
|
13
|
Железная проволока
|
диам. 2—3
|
0,10 м
|
|
8
|
Ось дверцы
|
1
|
То же
|
диам. 2—3
|
0,19 м
|
|
9
|
Патрубок
|
1
|
Кровельное железо
|
100х420
|
0,05 листа
|
|
10
|
Ножки
|
4
|
То же
|
20х200
|
Из обрезков
|
|
11
|
Выстилка
|
1
|
Кирпич красный
Глина слоем 2 см
Плитки
|
Стандартный
Обыкновенная Керамика
|
9 шт.
0,005 м3
10 шт.
|
Примечание. Кровельное железо может быть заменено другим листовым железом.
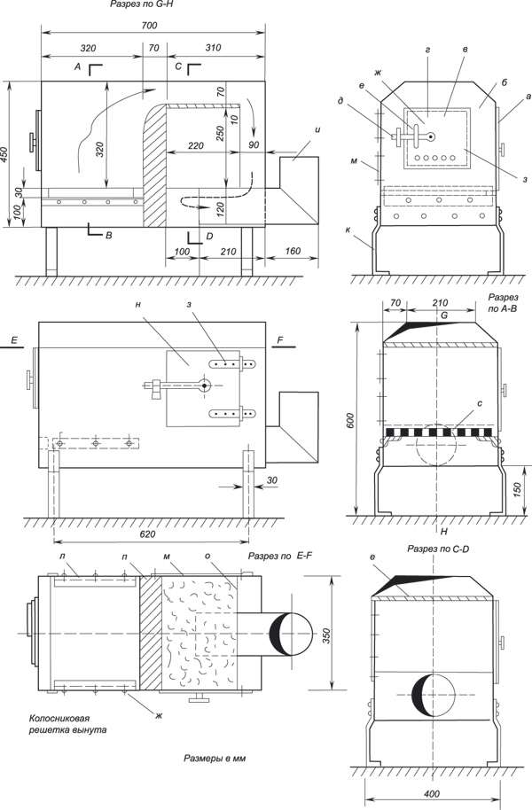
6. Тип № 2. Печь железная цилиндрическая с колосниковой решеткой (фиг. 2)
Топливо: дрова, торф, каменный уголь, хворост, щепа и прочие древесные отходы.
Печь этого типа представляет собой цилиндр с двумя днищами — верхним и нижним. В нижней части цилиндра приклепаны четыре ножки. Для придания жесткости цилиндрическому корпусу печи на нем выбивается валик.
Колосниковая решетка устанавливается на приклепанных к корпусу пяти уголках. Решетка изготовляется из железа толщиной 1—1,5 мм или из железа другого подручного сорта. При наличии только кровельного железа колосниковую решетку можно изготовлять из него, делая ее в 2—3 слоя. Слои решетки должны быть связаны проволокой или склепаны.
В верхнем днище печи имеется патрубок для присоединения к нему железной дымовой трубы нужной длины. Общую длину труб не следует делать более 10 м. На чертеже патрубок показан укрепленным в верхнем днище. При необходимости увеличения верхней теплоотдающей поверхности печи патрубок может быть поставлен на боковой поверхности цилиндра корпуса в верхней его части, если это возможно по расположению дымовой трубы.
Для повышения теплоотдачи и для уменьшения длины железных труб печи этого типа могут ставиться совместно с экономайзером, аналогично печи типа № 16.
Характеристика печи типа № 2 дана в табл. 8.

Фиг. 2.
Таблица 8
Характеристика печи типа № 2
|
Варианты №
|
Габариты в м
|
Теплоотдающая поверхность в м2
|
Теплоотдача в ккал/час
|
|
диаметр
|
высота
|
|
общая
|
активная
|
|
1
|
0,44
|
0,85
|
0,7
|
1,11
|
2000—2100
|
|
2
|
0,40
|
0,75
|
0,6
|
0,88
|
1800—1700
|
|
3
|
0,40
|
0,65
|
0,5
|
0,76
|
1500—1600
|
|
4
|
0,30
|
0,75
|
0,6
|
0,64
|
1200—1300
|
|
5
|
0,30
|
0,65
|
0,5
|
0,54
|
1000—1100
|
|
6
|
0,25
|
0,55
|
0,4
|
0,36
|
700—800
|
Примечание. Дрова для печи берутся длиной не более 40 см и менее диаметра печи на 5 см.
Спецификация материалов для варианта № 1 печи типа № 2 дана в табл. 9.
Таблица 9
Спецификация материалов для варианта № 1 печи № 2
|
№ по пор.
|
Детали
|
Материалы
|
|
название
|
количество
|
название
|
размер заготовки на одну деталь в мм
|
количество на все детали
|
|
1
|
Корпус
|
1
|
Кровельное железо
|
1420x710
|
1 лист
|
|
2
|
Днища
|
2
|
То же
|
диам. 455
|
0,7 листа
|
|
3
|
Топочная дверца
|
1
|
То же
|
210x180
|
Обрезки
|
|
4
|
Скобочка топочной дверцы
|
1
|
То же
|
10x30
|
Обрезки
|
|
5
|
Защелка топочной дверцы
|
1
|
То же
|
15x150
|
Обрезки
|
|
6
|
Хомутик топочной дверцы
|
1
|
То же
|
10x50
|
Обрезки
|
|
7
|
Заклепки
|
52
|
Проволока железная
|
диам. 3
|
0,3 м
|
|
8
|
Петля топочной дверцы
|
2
|
Кровельное железо
|
120x30
|
Обрезки
|
|
9
|
Патрубок
|
1
|
То же
|
100x420
|
Обрезки
|
|
10
|
Колосник
|
1
|
Листовое железо 1,5-мм
|
диам. 430
|
0,2 л.
|
|
11
|
Уголки решетки
|
5
|
Кровельное железо
|
15x20
|
Обрезки
|
|
12
|
Ножки
|
4
|
То же
|
10x175
|
Обрезки
|
|
13
|
Поддувальная дверца
|
1
|
То же
|
100x150
|
Обрезки
|
|
14
|
Скобочка поддувальной дверцы
|
1
|
То же
|
8х25
|
Обрезки
|
|
15
|
Защелка поддувальной дверцы
|
1
|
То же
|
10x120
|
Обрезки
|
|
16
|
Хомутик поддувальной дверцы
|
1
|
То же
|
10x140
|
Обрезки
|
|
17
|
Ось топочной дверцы
|
1
|
Проволока железная
|
диам. 2—3
|
0,185 м
|
|
18
|
Ось поддувальной дверцы
|
1
|
То же
|
диам. 2—3
|
0,115 м
|
Примечание. Для печей типа № 2 других вариантов расход .материалов соответственно изменяется.
7. Тип № 3. Печь железная прямоугольная с духовым шкафом (фиг. 3)
Топливо: дрова, щепа, хворост и другие древесные отходы. С целью увеличения возможностей приготовления пищи в конструкцию печей этого типа введен духовой шкаф, имеющий с одного конца глухую стенку, а с другого — дверцу.
Если духовым шкафом не пользуются для целей приготовления пищи, то он может служить как дополнительная теплоотдающая поверхность. Для этого дверца шкафа открывается, и тогда нагревающиеся внутренние его поверхности отдают тепло в помещение.
При подсчете теплоотдачи печей этого типа дополнительная теплоотдача от духового шкафа во внимание не принята.
Печи типа № 3 изготовляются из кровельного железа.
Ввиду уменьшенной длины топки 0,5-метровые дрова следует перепиливать пополам. Увеличивая длину топки настолько, чтобы можно было сжигать в ней дрова нормальной длины, получим более длинную печь этого же типа. Для доступа воздуха к топливу в нижней части топочной дверцы сделаны отверстия. С целью укрепления и предохранения от прогорания стенка шкафа со стороны, обращенной к топочной дверце, сделана с закладкой кирпичом, глиной или плитками.

Фиг. 3.
Дно печи футеровано выстилкой кирпичом (плашмя), глиняной смазкой или плитками.
Верх печи выполняется со скосами или делается прямым с укреплением на торцовых стенках планками жесткости из вдвое сложенного кровельного железа.
На чертеже печи типа № 3 топка показана с торца, но ее можно делать и с боковой стороны печи, ставя топочную дверцу рядом с дверцей духового шкафа.
Характеристика печи типа № 3 дана в табл. 10, а спецификация материалов для варианта № 1 печи — в табл. II.
Таблица 10
Характеристика печи типа № 3
|
Варианты №
|
Габариты в м
|
Теплоотдающая поверхность в м2
|
Теплоотдача в ккал/час
|
|
диаметр
|
ширина
|
высота
|
|
общая
|
активная
|
|
1
|
0,7
|
0,35
|
0,60
|
0,42
|
1,20
|
2300—2400
|
|
2
|
0,92
|
0,34
|
0,60
|
0,42
|
1,53
|
3000—3100
|
|
3
|
0,5
|
0,34
|
0,60
|
0,42
|
0,96
|
1900—2000
|
|
4
|
0,5
|
0,3
|
0,55
|
0,40
|
0,87
|
1750—1850
|
|
5
|
0,5
|
0,3
|
0,53
|
0,38
|
0,81
|
1600—1700
|
Примечание. Печи иных характеристик получаются соответственным изменением размеров.
Таблица 11
Спецификация материалов для варианта № 1 печи типа № 3
|
№ по пор.
|
Детали
|
Материалы
|
|
название
|
количество
|
название
|
размер заготовки на одну деталь в мм
|
количество на все детали
|
|
1
|
Боковая стенка
|
1
|
Кровельное железо
|
1420х710
|
1 лист
|
|
2
|
Торцовые стенки
|
2
|
То же
|
460x360
|
0,34 листа
|
|
3
|
Топочная дверца
|
1
|
То же
|
200x180
|
0,04 листа
|
|
4
|
Защелки
|
2
|
То же
|
15x120
|
Обрезки
|
|
5
|
Скобочки
|
2
|
То же
|
10x30
|
Обрезки
|
|
6
|
Хомутики
|
2
|
То же
|
10x45
|
Обрезки
|
|
7
|
Заклепки
|
82
|
Проволока железная
|
диам. 2—3
|
0,5 м
|
|
8
|
Оси дверцы
|
2
|
Проволока железная
|
диам. 2—3
|
0,44 м
|
|
9
|
Патрубок
|
1
|
Кровельное железо
|
200x420
|
0,26 листа
|
|
10
|
Ножки
|
4
|
Кровельное железо
|
200x420
|
0,33 листа
|
|
11
|
Крепление решетки
|
3
|
Угловое железо
|
20x20x300
|
1,0 м
|
|
12
|
Задняя стенка духового шкафа
|
1
|
Кровельное железо
|
230х230
|
Обрезки
|
|
13
|
Дверца шкафа
|
1
|
То же
|
230x230
|
0,06 м
|
|
14
|
Корпус шкафа
|
1
|
То же
|
340x1380
|
0,5 листа
|
|
15
|
Кирпичная стенка
|
1
|
Кирпич красный
|
Стандарт
|
6 шт.
|
|
16
|
Изоляция
|
1
|
Глиняная смазка или кирпич красный
|
Глина обыкновенная
|
0,006 м3
|
|
17
|
Колосниковая решетка
|
1
|
Кровельное железо
|
310x310
|
0,25 листа
|
Примечание. При других размерах печи соответственно изменяется расход материала.
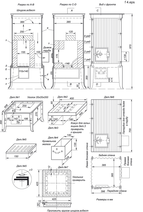
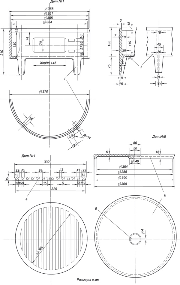
3. Тип № 4. Печь железная прямоугольная заводского изготовления (фиг. 4)
Топливо: дрова, торф, каменный уголь, а также разное низкосортное топливо.
Печь разборная с кирпичной футеровкой топливника. При отсутствии красного кирпича футеровка может производиться из сырцового кирпича.
Основными частями, на которые разбирается печь № 4, являются следующие: 1) постамент, 2) нижняя крышка (дно печи), 3) кожух для зольникового ящика, приваренный к нижней крышке, 4) выдвижной зольниковый ящик, 5) колосниковая решетка, 6) основной корпус печи, 7) верхняя крышка, 8) футеровка кирпичом или сырцом (можно насухо без раствора глины).
Для повышения жесткости корпуса печи стенки ее сделаны из гофрированного железа, что увеличивает теплоотдающую поверхность печи.
Футеровка введена с целью повышения температуры в топливнике для возможности сжигания низкосортного топлива.
Порядок сборки печи таков:
а) в постамент 1 вложить нижнюю крышку-дно 2;
б) уложить колосниковую решетку 5 над зольником 3;
в) вдвинуть на место зольниковый ящик 4;
г) скрепить между собой болтиками боковые стенки 6;
д) скрепленный корпус печи установить в нижнюю крышку 2;
е) выложить футеровку 8 топливника;
ж) закрыть плотно верхнюю крышку 7;
з) проверить наличие и равномерность укладки по всему пазу крышки шнурового асбеста;
и) паз крышки промазать глиной для устранения дымления;
к) надеть на патрубок железные дымовые трубы с присоединением к дымоходу.
Теплоотдача печи 3400—3500 ккал/час.
Практика работы с этой печью в Красной армии показала ее хорошие эксплуатационные качества.

Фиг. 4.
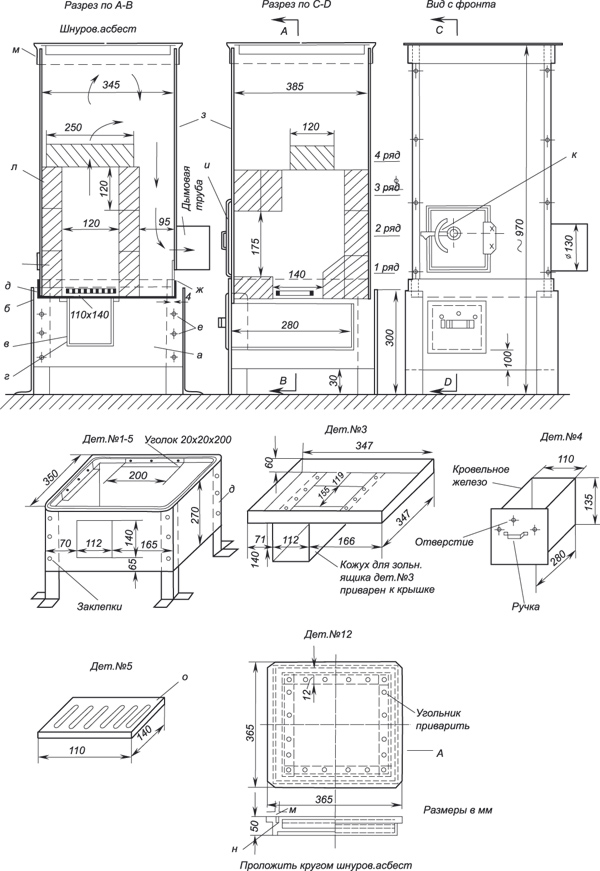
9. Тип № 5. Печь железная прямоугольная кустарного изготовления (фиг. 5)
Топливо: дрова, торф, каменный уголь и разное низкосортное топливо.
Печь разборная, с кирпичной футеровкой и состоит из следующих элементов: 1) корпуса из кровельного железа, 2) постамента, 3) крышки, 4) колосников, 5) зольника, 6) футеровки.
Для увеличения жесткости корпуса печи на кожухе выбиваются два валика (на фиг. 5 не показаны).
Для возможности изготовить печи из кровельного железа с наименьшим количеством обрезков поперечные размеры железного кожуха печи даны 345х345 мм при активной высоте кожуха 700 мм. Постамент печи, дно и верхняя крышка, а также зольник делаются так же, как в печи № 4, но с соответственным изменением размеров.
Характеристика печи типа № 5 дана в табл. 12, а спецификация материалов для варианта № 1 той же печи — в табл. 13.

Фиг. 5.
Таблица 12
Характеристика печи типа № 5
|
Варианты №
|
Габариты в м
|
Теплоотдающая поверхность в м2
|
Теплоотдача в ккал/час
|
|
диаметр
|
ширина
|
высота
|
|
общая
|
активная
|
|
1
|
0,39
|
0,35
|
0,97
|
0,70
|
1,10
|
2200—2300
|
|
2
|
0,37
|
0,34
|
0,90
|
0,63
|
1,02
|
2000—2100
|
|
3
|
0,37
|
0,34
|
0,87
|
0,60
|
0,98
|
1900—2000
|
|
4
|
0,37
|
0,34
|
0,83
|
0,56
|
0,90
|
1700—1800
|
|
5
|
0,37
|
0,34
|
0,77
|
0,50
|
0,83
|
1600—1700
|
Примечание. Печи иных характеристик получаются соответственным изменением размеров. Дрова для печи берутся длиной около 25 см.
Таблица 13
Спецификация материалов для варианта № 1 печи типа № 5
|
№ по пор.
|
Детали
|
Материалы
|
|
название
|
количество
|
название
|
размер заготовки на одну деталь в мм
|
количество на все детали
|
|
1
|
Стенки постамента
|
4
|
Кровельное железо
|
350x270
|
0,5 листа
|
|
2
|
Ножки
|
4
|
Угловое железо
|
20x20x300
|
1,3 м
|
|
3
|
Кожух зольника
|
1
|
Кровельное железо
|
285х115х140
|
0,2 листа
|
|
4
|
Зольниковый ящик
|
1
|
То же
|
280х110х135
|
0,2 м
|
|
5
|
Уголки подставки
|
4
|
Угловое железо
|
20x20x200
|
0,9 м
|
|
6
|
Заклепки
|
53
|
Проволока железная
|
диам. 2—3
|
0,3 м
|
|
7
|
Нижняя крышка
|
1
|
Кровельное железо
|
467х467
|
0,25 листа
|
|
8
|
Корпус
|
1
|
То же
|
700x1090
|
1 лист
|
|
9
|
Топочная дверца
|
1
|
Чугун
|
180x200
|
1,2 кг
|
|
10
|
Защелка и скобочка к дверце
|
1
|
Кровельное железо
|
15x120
|
Обрезки
|
|
11
|
Футеровка
|
1
|
Кирпич красный
|
Стандарт
|
9 шт.
|
|
12
|
Верхняя крышка
|
1
|
Кровельное железо
|
347x347
|
0,15 листа
|
|
13
|
Прокладка
|
1
|
Асбест шнуровой
|
1400x4
|
6,0 м
|
|
14
|
Колосниковая решетка
|
1
|
Кресельное железо
|
110x140
|
Обрезки
|
Примечание. Для печей других размеров изменяется расход материалов.
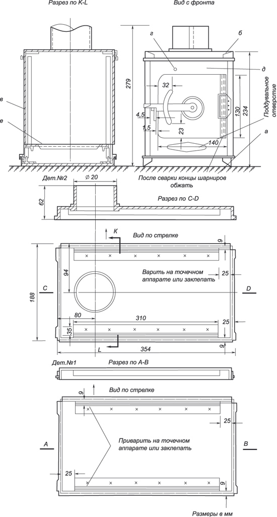
10. Тип № 6. Печь железная прямоугольная, разборная (фиг. 6а и 6б)
Топливо: дрова, торф, каменный уголь и древесные отходы.
Эта сравнительно небольшая печь принята для отопления зимних палаток и может быть рекомендована для применения в других небольших помещениях. Изготовляется из кровельного железа с применением сварки или клепки.
Печь состоит из следующих частей: 1) дна, 2) верхней крышки с патрубком, 3) двух боковых стенок, 4) задней стенки, 5) передней стенки с дверцей, 6) колосниковой решетки.
Железная дымовая труба пропускается сквозь полотно палатки через отверстие в складнем листе 400х400 мм, состоящем из двух половин, соединенных шарнирно. Лист этот вставляется в специальный вырез на намете палатки и предохраняет материал палатки от обгорания.
Дымовая труба пропускается через отверстие в листе.
Перед выпуском дымовых газов в трубу они пропускаются через искроуловитель, устанавливаемый на печи.
Верхняя крышка и дно печи имеют вид коробки с приваренными или приклепанными укрепляющими угольниками.
Две боковые стенки печи совершенно одинаковы, представляют лист с загнутыми краями, с крепящими уголками и с опорами в виде буквы Г для колосниковой решетки.
Задняя стенка одинакова с передней, но на передней стенке имеются отверстия для топочной и поддувальной дверец.
Колосниковая решетка делается из железного листа, края которого кругом загнуты на 180°; прозоры образованы просечкой с отгибом краев листа вниз.
Печь — заводского изготовления. Теплоотдача печи 500 ккал/час, не считая теплоотдачи от дымовых труб.

Фиг. 6а

Фиг. 6б
11. Тип № 7. Печь железная цилиндрическая для убежищ (фиг. 7)
Топливе: дрова, торф, каменный уголь.
Ввиду специальных требований, предъявляемых к печам подобного типа, они отличаются особенностями своей конструкции, что видно из дальнейшего описания. Корпус печи изготовляется из листового железа толщиной 1,4—2 мм. Меньшей толщины железо ставить не рекомендуется ввиду соединения деталей печи электросваркой, причем во избежание сильных деформаций применяется сварка электрическая, а не газовая.
Дымовая железная труба приваривается к отверстию в верхней крышке корпуса печи. Воздушная железная труба имеет одинаковый диаметр с диаметром дымовой трубы. Для подачи воздуха в поддувало воздушная труба приварена к отверстию в нижней части корпуса.
Обе трубы — дымовая и воздушная — идут рядом, вплотную одна с другой, и отдельные звенья их соединяются между собой общим фланцем.
Свертываются трубы на асбестовой прокладке болтами-барашками. В обеих трубах имеются дроссель-клапаны, установленные со специальным уплотнением из асбеста.
Печь имеет лишь одну дверцу — топочную, для которой в передней части корпуса сделано соответствующее отверстие, куда установлена и приварена чугунная рама. Во внутренней части рамы установлена навесная отражательная дверца.
В передней части рамы имеются навесные ушки для герметической дверцы, для скобы и засова.
В плоскости рамы и в плоскости прилегания топочной дверцы к раме по периметрам закладывается шнуровой асбест.
Благодаря описанному выше устройству печи после затяжки топочной дверцы помощью скобы, засова и нажимного винта достигается плотность, обеспечивающая герметичность печи. Колосник в виде чугунной решетки, имеющей в задней части очертание по дуге окружности, в передней части имеет козырек для отделения поддувала от топочного пространства. Для установки колосника к корпусу печи приварены шесть упорных лап, на которых крепятся съемные вкладыши из 3—4-миллиметрового железа, а на вкладыши устанавливается колосниковая решетка.

Фиг. 7.
Характеристика печи типа № 7 дана в табл. 14.
Таблица 14
Характеристика печи типа № 7
|
Варианты №
|
Габариты в м
|
Теплоотдающая поверхность в м2
|
Теплоотдача в ккал/час
|
|
диаметр
|
высота
|
|
1
|
0,3
|
0,55
|
0,54
|
1200—1300
|
|
2
|
0,3
|
0,87
|
0,73
|
1400—1500
|
|
3
|
0,5
|
0,50
|
1,00
|
2000—2100
|
|
4
|
0,5
|
0,76
|
1,30
|
2500—2600
|
Примечания: 1. Печи иных характеристик получаются соответственным изменением размеров.
2. На фиг. 7 приведен вариант № 2.
Печь заводского изготовления.
12. Тип № 3. Печь чугунная цилиндрическая (фиг. 8а, 8б и 8в)
Топливо: дрова, торф, каменный уголь.
Верхний наружный диаметр корпуса на 2 мм больше нижнего диаметра. По условиям отливки толщина корпуса берется в 6 мм.
Корпус имеет патрубок для вывода дыма и прямоугольное отверстие для загрузки топлива.
Топочная дверца — навесная с двумя, ушками (с отверстиями для 4-мил-лиметроврй проволоки), на которую навешивается дверца. На дверце закреплена ручка со шпилькой и зажимом для плотного закрывания дверцы.
Постамент печи имеет четыре ножки и ушки для навески поддувальной дверцы.
Верхняя крышка корпуса должна быть с круглым вырезом для конфорки, на что следует обратить особое внимание, так как заводы выпускают до сего времени печи этого типа без конфорок, что является безусловным недостатком.
Характеристика печи:
габариты D=318 мм; Н=540 мм;
теплоотдающая поверхность 0,4 м2;
теплоотдача 700—850 ккал/час.

Фиг. 8а.

Фиг. 8б.
Этого типа печи других размеров заводы не выпускают.
Спецификация материалов печи типа № 8 дана в табл. 15.
Таблица 15
Спецификация материалов печи типа № 8
|
№ по порядку
|
Детали
|
Количество деталей
|
Материалы в кг
|
|
марка
|
на одну деталь
|
на все детали
|
|
1
|
Постамент
|
1
|
ЧЛ-4
|
14,9
|
14,9
|
|
2
|
Дверца поддувальная
|
1
|
ЧЛ-4
|
0,66
|
0,66
|
|
3
|
Штырь диам. 4 мм, l=94 мм
|
1
|
Ст. 0
|
0,014
|
0,014
|
|
4
|
Колосниковая решетка
|
1
|
ЧЛ-4
|
5,00
|
5,00
|
|
5
|
Корпус
|
1
|
ЧЛ-4
|
13,10
|
13,10
|
|
6
|
Дверца топочная
|
1
|
ЧЛ-4
|
1,20
|
1,20
|
|
7
|
Штырь диам. 4 мм, l=136 мм
|
1
|
Ст. 0
|
0,025
|
0,025
|
|
8
|
Крышка
|
1
|
ЧЛ-4
|
3,50
|
3,50
|
|
9
|
Проволока диам. 4 мм, l=56 мм
|
1
|
Ст. 0
|
0,012
|
0,012
|
|
10
|
Ручка
|
2
|
ЧЛ-4
|
0,24
|
0,48
|
|
11
|
Шпилька
|
2
|
Ст. 0
|
0,039
|
0,078
|
|
12
|
Зажим
|
2
|
ЧЛ-4
|
0,038
|
0,076
|
Примечание. Для чугунных печей заводского изготовления даются спецификации материалов, так как опыт изготовления печей показал необходимость применения чугуна определенного качества.

Фиг. 8в.
13. Тип № 9. Печь чугунная цилиндрическая, переносная (фиг. 9)
Топливо: дрова, торф, каменный уголь.
Печь заводского изготовления. Распространена на железных дорогах для отопления вагонов.
Корпус печи — литой цилиндр, представляющий одно целое с постаментом.
Нижнее кольцо постамента имеет четыре отверстия под винты или болты для прикрепления печи к полу помещения. В стенках кожуха постамента сделаны четыре овальных отверстия для прохода воздуха в поддувало печи.
Для установки колосниковой решетки внутри корпуса печи имеется кольцевой прилив, на который и укладывается колосниковая решетка.
Топочная дверца (литая чугунная) помещается в верхней части корпуса и служит также для загрузки топлива.
Поддувальная дверца (чугунная, навесная) укрепляется на прилитых к корпусу ушках. В верхней крышке печи имеется прилитый патрубок наружным диаметром 120 мм, с толщиной стенок 5 мм. К этому патрубку присоединяются железные дымовые трубы.
Печь имеет две ручки, закрепленные в ушках, прилитых в верхней части корпуса печи.
Дно зольника печи образуется круглым поддоном диам. 210 мм, укладываемым свободно на кольцевой прилив внутри корпуса на высоте 109 мм от пола. Высота зольника 122 мм.

Фиг. 9.
Характеристика печи:
габариты: D = 362 мм; H = 640 мм;
теплоотдающая поверхность 0,36 + 0,09 = 0,45 м2;
теплоотдача 900—1000 ккал/час.
Печи этого типа других размеров не изготовляются.
Спецификация материалов печи типа № 9 дана в табл. 16.
Таблица 16
Спецификация материалов печи типа № 9
|
№
|
Название
|
Материал (марка)
|
Количество деталей, шт.
|
Вес в кг
|
|
1
|
Корпус печи
|
ЧЛ-3
|
1
|
4,4
|
|
2
|
Крышка
|
ЧЛ-3
|
1
|
6,5
|
|
3
|
Колосниковая решетка
|
ЧЛ-3
|
1
|
3,6
|
|
4
|
Плита для поддона
|
ЧЛ-3
|
1
|
3,1
|
|
5
|
Дверца топочная
|
ЧЛ-3
|
1
|
1,6
|
|
6
|
Дверца поддувальная
|
ЧЛ-3
|
1
|
1,2
|
|
7
|
Направляющий стержень
|
Ст. 0
|
1
|
0,057
|
|
8
|
То же
|
Ст. 0
|
1
|
0,051
|
|
9
|
Ручка диам. 10 мм, l=350 мм
|
Ст. 0
|
2
|
0,22
|
14. Тип № 10. Печь чугунная прямоугольная заводского изготовления (фиг. 10а и 10б)
Топливо: дрова, торф.
Печь состоит из следующих чугунных элементов: 1) прямоугольного корпуса, 2) колосниковой решетки, 3) постамента.

Фиг. 10а.
В верхней крышке корпуса имеется прилитый конусный патрубок с диаметром 90/92 мм, к нему присоединяется железная дымовая труба.
В верхней крышке корпуса также имеется отверстие с конфоркой для приготовления пищи.
Поддувальной дверцы печь не имеет, и ее заменяют прорези в топочной дверце, через которые воздух проходит в зольник печи.
Для навески топочной дверцы в фронтальной стенке корпуса имеются приливы в виде ушков.
Чугунная колосниковая решетка отлита с ножками, на которых она и устанавливается на постамент так, что под решеткой образуется зольниковое пространство.
Печь назначается для дров и торфа, так как малое зольниковое пространство и большая колосниковая решетка не дают возможности эффективного сжигания каменных углей.
Характеристика печи:
габариты: длина 405 мм, ширина 235 мм, высота 270 мм;
теплоотдающая поверхность 0,28 м2;
теплоотдача 500—600 ккал/час.

Фиг. 10б.
Спецификация материалов печи типа № 10 дана в табл. 17.
Таблица 17
Спецификация материалов печи типа № 10
|
№
|
Название
|
Количество дет.
|
Материал
|
|
1
|
Колосниковая решетка
|
1
|
Чугун
|
|
2
|
Поддон
|
1
|
Чугун
|
|
3
|
Корпус
|
1
|
Чугун
|
|
4
|
Дверца
|
1
|
Чугун
|
|
5
|
Крышка
|
1
|
Чугун
|
|
6
|
Конфорка
|
1
|
Чугун
|
|
7
|
Стержень ручки
|
1
|
Ст. 2
|
|
8
|
Ось дверцы
|
1
|
Ст. 3
|
|
9
|
Щеколда дверцы
|
1
|
Ст. 3
|
|
10
|
Ручка дверцы
|
1
|
Чугун
|
Печь типа № 10 указанных в таблице размеров освоена в производстве и выпускается заводом М. Дубна в Тульской области.
15. Тип № 11. Печь чугунная прямоугольная, разборная (фиг. 11а, 11б, 11в и 11г)
Топливо: дрова, торф, каменный уголь.

Фиг. 11а.
Печь изготовляется многими заводами «Росчермет».
Печь состоит из четырех чугунных элементов: 1) постамента который в варианте печи может отсутствовать, 2) колосниковой решетки 3) основного корпуса печи из четырех стенок, 4) крышки печи с конфоркой или приготовления пищи.
Корпус печи состоит из четырех вертикальных стенок с прилитыми ребрами по 5 шт. на стенке.
Боковые стенки (правая и левая) вставляются в специально отлитые пазы в передней и задней стенках.
В верхней перекрывающей крышке печи имеется отверстие с конфоркой для приготовления пищи.
Корпус печи и колосниковая решетка имеют опору в постаменте, в котором сделано отверстие с поддувальной дверцей.
Сборка и разборка печи очень просты и занимают не более 5—7 мин.
Для газоубежищ, щелей и подобных сооружений печь устанавливается без постамента, над приямком, выкопанным в грунте; в этом случае колосниковая решетка укладывается на кромках приямка.
Для подвода воздуха в поддувало делается канал 100х75 мм в грунте.
Печь типа № 11 принята на снабжение Красной армии.
Характеристика печи:
габариты: длина 250 мм, ширина 250 мм, высота 470 мм;
теплоотдаюшая поверхность 0,45 м2;
теплоотдача 1200—1300 ккал/час.

Фиг. 11г.
Спецификация печи типа № 11 дана в табл. 18.
Таблица 18
Спецификация материалов печи типа № 11
|
№
|
Название
|
Количество дет.
|
Материал
|
|
1
|
Постамент
|
1
|
ЧЛ-4
|
|
2
|
Поддувальная дверца
|
1
|
ЧЛ-4
|
|
3
|
Колосниковая решетка
|
1
|
ЧЛ-4
|
|
4
|
Топочная дверца
|
1
|
ЧЛ-4
|
|
5
|
Штырь диам. 4 мм, l = 75 мм
|
1
|
ЧЛ-4
|
|
6
|
Задняя стенка печи
|
1
|
ЧЛ-4
|
|
7
|
Боковые стенки печи
|
2
|
ЧЛ-4
|
|
8
|
Передняя стенка печи
|
1
|
ЧЛ-4
|
|
9
|
Крышка
|
1
|
ЧЛ-4
|
|
10
|
Конфорка
|
1
|
ЧЛ-4
|
|
11
|
Ручки
|
2
|
ЧЛ-4
|
|
12
|
Шпильки диам. 5 мм, 1 = 42 мм
|
2
|
Ст.0
|
|
13
|
Зажимы
|
2
|
ЧЛ-4
|
|
14
|
Штырь диам. 4 мм, 1 = 106 мм
|
1
|
Ст.0
|
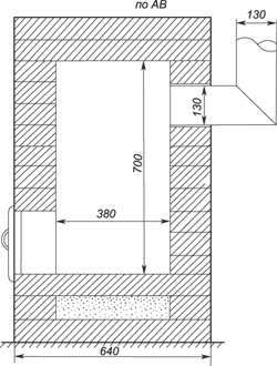
16. Тип № 12. Печь кирпичная прямоугольная с глухим подом (фиг. 12)
Топливо: дрова, хворост.
Печь выкладывается из обыкновенного красного кирпича и представляет собой топливник без дымооборотов.
Дымовые газы в целях повышения теплоотдачи печи направляются в дымоход по железным трубам, прокладываемым обычно вверху помещения.
Длина труб должна быть не более 10 м.
Труба делается диам. 130 мм, и теплоотдача с 1 пог. м трубы принимается равной 3,14х0,13х1,00х900 = 360 ккал/час.
Перекрыша печи состоит из двух рядов кирпичной кладки, но как вариант может быть заменена плитой, что создает удобства для приготовления и разогревания пищи.
При большой влажности топлива вместо глухого пода третий ряд кладки делать решетчатым, подтесывая кирпичи для образования четырех щелей-прозоров шириной по 10—12 мм (см. пунктир на фиг. 12). Во втором ряду в этом случае засыпки не делать, оставляя свободное зольниковое пространство и ставя дверцу или закрывая поддувальное отверстие кирпичом.
К этому типу печи имеются варианты на разную теплоотдачу, в зависимости от размеров печи и вида ее перекрытия.
Характеристика печи № 12 дана в табл. 19. а спецификация материалов для варианта № 2 той же печи — в табл. 20.
Таблица 19
Характеристика печи типа № 12
|
Варианты №
|
Габариты в м,
длина х ширина х высота
|
Теплоотдающая поверхность в м2
|
Теплоотдача в ккал/час
|
Пере#_x0000_t75крытие
|
|
1
|
0,64x0,51x0,91
|
1,63 и 0,32
|
1400—1500
|
Плита
|
|
2
|
0,64x0,51x1,05
|
2,2
|
1200—1300
|
Кирпич
|
|
3
|
0,64x0,51x0,91
|
1,93
|
1000—1100
|
Кирпич
|
|
4
|
0,51x0,51x1,05
|
1,95
|
1000—1100
|
Кирпич
|
|
5
|
0,51x0,51x0,91
|
1,68
|
900—1000
|
Кирпич
|
Примечание. Печи иных характеристик получаются соответственным изменением размеров.
Таблица 20
Спецификация материалов для варианта № 2 печи типа № 12
|
№
|
Название материалов
|
Единица измерения
|
Количество материалов
|
|
1
|
Кирпич красный
|
шт.
|
115
|
|
2
|
Дверца 250x210 мм
|
шт.
|
1
|
|
3
|
Железо кровельное 4-кг
|
лист
|
2
|
|
4
|
Глина
|
м3
|
0,03
|
|
5
|
Песок
|
м3
|
0,02
|
|
6
|
Войлок
|
м2
|
0,8
|

Фиг. 12.
17. Тип № 13. Печь кирпичная прямоугольная без плиты или с плитой и колосниковой решеткой (фиг. 13)
Топливо: дрова, торф, каменный уголь.
Печи типа № 13 выкладываются из красного обыкновенного кирпича и имеют один дымооборот.
Печь может аккумулировать небольшое количество тепла. Перекрыша печи, омываемая дымовыми газами, может быть использована для хозяйственно-бытовых целей.
В некоторых вариантах кирпичная перекрыта заменена плитой. Характеристика печи типа № 13 дана .в табл. 21, а спецификация материалов для варианта № 1 той же печи — в табл. 22.
Таблица 21
Характеристика печи типа № 13
|
Варианты №
|
Габариты в м,
длина х ширина х высота
|
Теплоотдающая поверхность в м2
|
Теплоотдача в ккал/час
|
Перекрыша
|
|
1
|
1,02x0,51x1,05
|
2,66
|
1500—1600
|
Кирпичная
|
|
2
|
1,02x0,51x0,9
|
1,7+0,52
|
1700—1900
|
Плита
|
|
3
|
0,9x0,51x1,05
|
2,44
|
1300—1400
|
Кирпичная
|
|
4
|
0,9x0,50x0,9
|
1,58+0,46
|
1500—1600
|
Плита
|

Фиг. 13.
Таблица 22
Спецификация материалов для варианта № 1 печи типа № 13
|
№
|
Название материалов
|
Единица измерения
|
Количество материалов
|
|
1
|
Кирпич красный
|
шт.
|
193
|
|
2
|
Дверца топочная 250x210 мм
|
шт.
|
1
|
|
3
|
Дверца поддувальная 130х 140 мм
|
шт.
|
1
|
|
4
|
Колосниковая решетка 270x230 мм
|
шт.
|
1
|
|
5
|
Железо кровельное
|
лист
|
2
|
|
6
|
Глина
|
м3
|
0,04
|
|
7
|
Песок
|
м3
|
0,03
|
|
8
|
Войлок
|
м2
|
1,20
|
18. Тип № 14. Печь кирпичная, времянка-плита (фиг. 14)
Топливо: дрова, торф, каменный уголь.
Дымовые газы поднимаются, обтекают плиту, переваливают через стенку, опускаются и уходят в дымовую трубу.
В целях использования тепла дымовых газов дымовая труба делается железная и прокладывается требуемой длины по отапливаемому помещению: длина дымовой трубы не должка быть более 10 м.
Теплоотдача с 1 пог. м дымовой трубы диам. 130 мм принимается равной 360 ккал/час.
Характеристика печи типа № 14 дана в табл. 23, а спецификация материалов для варианта № 1 той же печи — в табл. 24.
Таблица 23
Характеристика печи типа № 14
|
Варианты №
|
Габариты в м
|
Теплоотдающая поверхность в м2
|
Теплоотдача в ккал/час
|
|
диаметр
|
ширина
|
высота
|
|
общая
|
активная
|
|
1
|
0,83
|
0,51
|
1,05
|
0,84
|
1,60
|
1200—1300
|
|
2
|
0,83
|
0,51
|
1,19
|
0,98
|
1,98
|
1400—1500
|
|
3
|
0,83
|
0,51
|
0,98
|
0,70
|
1,28
|
1000—1100
|
|
4
|
0,77
|
0,51
|
0,98
|
0,70
|
1,14
|
800—900
|
Примечание. Железные трубы не приняты во внимание при подсчете теплоотдачи.
Таблица 24
Спецификация материалов для варианта № 3 печн типа № 14
|
№
|
Название
|
Единица измерения
|
Количество материалов
|
|
1
|
Кирпич красный
|
шт.
|
150
|
|
2
|
Дверца топочная 250x210 мм
|
шт.
|
1
|
|
3
|
Дверца поддувальная 130х 140 мм
|
шт.
|
1
|
|
4
|
Колосниковая решетка 220x250 мм
|
шт.
|
1
|
|
5
|
Кровельное железо
|
лист
|
2,25
|
|
6
|
Плита чугунная двухконфорная 0,9x0,4 м
|
шт.
|
1
|
|
7
|
Глина
|
м3
|
0,04
|
|
8
|
Песок
|
м3
|
0,03
|
|
9
|
Войлок
|
м2
|
1,25
|

Фиг. 14.
19. Тип № 15. Печь кирпичная времянка-плита с духовым шкафом (фиг. 15)
Топливо: дрова, торф, каменный уголь
Дымовые газы из топливника направляются кверху обтекают чугунный верхний настил, опускаются, омывая стенки духового шкафа, и уходят внизу печи в железную дымовую трубу.
Верх шкафа во избежание прогорания покрывается глиняной смазкой слоем толщиной 10—15 мм.
Характеристика печи: габариты 1,04х0,51х0,84 м;
теплоотдающая поверхность 1,6 м2 + 0,36 м2 = 1,96 м2, теплоотдача печи 1800—2000 ккал/час.
Для получения дополнительной теплоотдачи по верху помещения прокладываются железные дымовые трубы длиной не более 7 м.
Спецификация материалов печи типа № 15 дана в табл. 25.
Таблица 25
Спецификация материалов печи типа № 15
|
№
|
Название
|
Единица измерения
|
Количество материалов
|
|
1
|
Кирпич красный
|
шт.
|
130
|
|
2
|
Дверца топочная 210x250 мм
|
шт.
|
1
|
|
3
|
Дверца поддувальная 130х140 мм
|
шт.
|
1
|
|
4
|
Колосниковая решетка 220x250 мм
|
шт.
|
1
|
|
5
|
Железо кровельное
|
лист
|
2
|
|
6
|
Плита чугунная двухконфорочная 0,7х 0,4м
|
шт.
|
1
|
|
7
|
Глина
|
м3
|
0,03
|
|
8
|
Песок
|
м3
|
0,02
|
|
9
|
Войлок
|
м2
|
1,0
|
Фиг. 15.
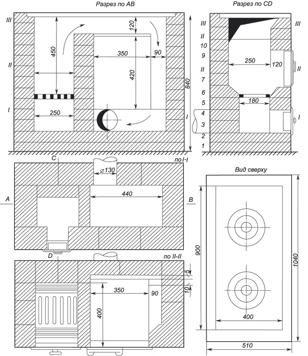
20. Тип № 16. Печь кирпичная прямоугольная с железным экономайзером-искрогасителем
(фиг. 16)
Топливо: дрова, торф, каменный уголь.
Печь типа № 16 представляет собой агрегат, состоящий из трех частей:
1) генератор тепла — кирпичная печь малой теплоемкости, прямоугольная, размером 0,77х0,51х1,47 м, с колосниковой решеткой;
2) экономайзер-искрогаситель, состоящий из железного цилиндра размерами: D=0,45 м, Н=1,40 м с двумя патрубками — вверху для присоединения к печи и внизу для присоединения к дымовой трубе и с двумя днищами — верхним и нижним;
3) духовой шкаф, вделанный в корпус экономайзера. Установка духового шкафа необязательна.
Назначение экономайзера — повышать эффективность печи и улавливать искры; последнее достигается уменьшением скоростей и температуры газов.. Установка экономайзера освобождает от необходимости прокладки в помещениях железных дымовых труб, дающих при большой их длине капель вследствие накапливания в них конденсационной воды.
Вышедшие из печи дымовые газы с высокой температурой через верхний патрубок поступают в экономайзер, обтекают духовой шкаф (если он имеется) и, охлаждаясь, опускаются и отсасываются дымовой трубой.
Верхний патрубок, соединяющий печь с экономайзером, может делаться большей длины для установки экономайзера в другом помещении, отделенном от печи стеной.
Агрегат печи типа № 16 быстро начинает давать тепло и экономичен, так как экономайзер увеличивает теплоотдачу печи, вследствие чего повышается коэффициент полезного действия печи (см. раздел III «Вспомогательные устройства», «Экономайзер»).
При необходимости увеличить теплоемкость установки следует заполнить экономайзер насадкой, т.е. кладкой из кирпича в клетку (можно насухо).
Основание под экономайзер делается из кирпича, поставленного на ребро.
Корпус экономайзера, состоящий по высоте из двух цилиндрических звеньев, делается из кровельного железа: звенья кромками заходят одно в другое. Каждое звено имеет размеры: D=0,45 м, Н=0,70 м и изготовляется из целого листа без обрезки.
Для придания жесткости звеньям корпуса на каждом звене в расстоянии 50 мм от верха и низа выбиваются валики.
Характеристика печи типа № 16: '
габариты — при установке экономайзера рядом с печью — (0,44+0,58+0,26)х0,77х1,47;
теплоотдающая поверхность печи — 2,94 м2, экономайзера — 2,1 м2;
теплоотдача печи — 2000 ккал/час, экономайзера — 4000 ккал/час, общая — 6000 ккал/час.
Спецификация материалов печи типа № 16 дана в табл. 26.
Таблица 26
Спецификация материалов печи типа № 16
|
№
|
Название
|
Единица измерения
|
Количество материалов
|
|
1
|
Кирпич красный
|
шт.
|
216
|
|
2
|
Глина
|
м3
|
0,06
|
|
3
|
Песок
|
м3
|
0,05
|
|
4
|
Войлок
|
м2
|
1,0
|
|
5
|
Железо кровельное
|
лист
|
4,25
|
|
6
|
Дверца духового шкафа 250x420 мм
|
шт.
|
1,0
|
|
7
|
Дверца топочная 210x250 мм
|
шт.
|
1,0
|
|
8
|
Дверца поддувальная 130x140 мм
|
шт.
|
1,0
|
|
9
|
Колосниковая решетка 250x270 мм
|
шт.
|
1,0
|
|
10
|
Уголок железо 20x20x300 мм
|
шт.
|
1,0
|
|
11
|
Проволока железная диам. 3,00 мм
|
м
|
1,20
|
Примечание. Колосниковая решетка может быть чугунная или железная с пробитыми прозорами.
Печь типа № 16 предназначается для установки в больших помещениях, например, в мастерских.
Установка экономайзера № 16 является типичной, и по аналогии с ней можно к любой печи малой теплоемкости присоединять экономайзер, повышая тем самым теплоотдачу печи.
Перед растопкой печи следует прожечь дымовую трубу во избежание дымления экономайзера.

Фиг. 16.
21. Тип № 17. Печь кирпичная с отопительной трубой (фиг. 17)
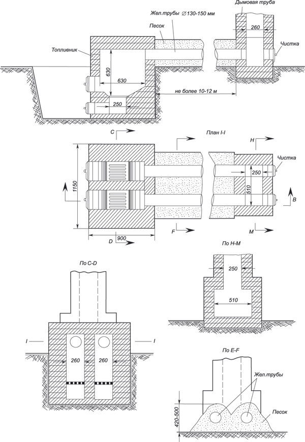
Топливо: дрова, торф, каменный уголь, древесные отходы.
Печь этого типа состоит из одного, двух или трех кирпичных топливников, сложенных вместе в одном конце отапливаемого помещения или вне помещения. В другом конце помещения ставится дымовая труба. Каждый топливник соединяется с дымовой трубой самостоятельной горизонтальной железной трубой диаметром от 130 до 180 мм. Трубы эти проходят по полу или под полом помещения, а в землянках — под нарами. Трубы засыпаются песком с таким расчетом, чтобы поверх труб был слой песка толшиной до 40—120 мм, укладка труб производится с подъемом 1:100 в сторону дымовой трубы. Трубы могут быть оставлены со свободным их омыванием воздухом, лишь закрытые сеткой или другим ограждением для предупреждения от ожогов. В этом случае отопительная установка будет малой теплоемкости.
При засыпке труб песком согревается вся масса песка, от которого уже происходит передача тепла помещению. В этом случае теплоемкость отопительного агрегата сильно повышается. Трубы делаются из кровельного железа; смазываются снаружи перед засыпкой глиняным раствором слоем в 10—15 мм.

Фиг. 17.
Во избежание дымления и конденсации в трубах их следует делать не длиннее 10 м каждую. По сравнению с отоплением землянок чугунными или железными печами печи настоящего типа (№ 18), с засыпкой песком, имеют преимущество в санитарном отношении.
22. Тип № 18. Земляная печь-камин (фиг. 18)
Топливо: дрова, хворост, древесные отходы.
Печь назначается для отопления лучистым теплом землянок с одновременной вентиляцией их.
Преимущества подобного типа печей-каминов заключаются в простоте и быстроте их устройства, в отсутствии потребности в кирпиче, железе и тому подобных материалах и в возможности усиленно вентилировать помещение.
Условием для возможности устройства таких печей является достаточно плотный грунт.
Для устройства печи в земляном откосе делается в виде камина топка размером 0,65х0,65х0,45 м; со стороны помещения топка открыта. Для лучшего отражения тепловых лучей в сторону обогреваемого помещения боковые и верхний откосы устроены в сторону помещения.
Под печи можно усилить выстилкой камнем или утрамбованной глиной.
Для отвода из топки дыма в трубу делается в земле дымовой канал сечением 200х250 мм со стенками, промазанными глиной.

Фиг. 18.
Дымовая труба для печей данного типа делается высотой 2,0—1,7 м в виде усеченного конуса. Каркас трубы сплетается из хвороста, ивовых прутьев, веток и т.п. Снаружи и внутри этот каркас по всей высоте обмазывается глиной слоем толщиной 80—100 мм.
Меняя размеры печи № 17, в зависимости от потребности, можно получать различные варианты.
По окончании топки отверстие печи закрывается деревянным щитом, а верхнее отверстие — куском доски, чтобы в трубу не попадала вода. В условиях военного времени и особенно в местах, освобожденных от оккупации, подобный тип печей для временных помещений-землянок во многих случаях окажется очень полезным. Трубу, дымовой канал и топливник нужно устраивать на расстоянии не менее 0,5 м от возгораемых конструкций.
III. вспомогательные устройства
23. Искроуловитель (фиг. 19)
Искроуловитель представляет собой железный прямоугольной формы ящик, с поперечной перегородкой внутри. Дымовые газы, теряя в ящике скорость, освобождаются от искр — твердых несгоревших частичек угля, — которые гаснут в искроуловителе.
Спецификация материалов искроуловителя дана в табл. 27.
Таблица 27
Спецификация материалов для искроуловителя
|
№
|
Название
|
Единица измерения
|
Количество материалов
|
|
1
|
Железо листовое 1-мм
|
лист
|
1,32
|
|
2
|
Железная проволока диам. 3 мм
|
м
|
1,5
|
|
3
|
Железо угловое 20x20x250 мм
|
лист
|
0,5
|
Искроуловители могут ставиться ко всем печам аналогично их установке для печи типа № 16 (см. фиг. 19).
24. Экономайзер (фиг. 16)
Печи малой теплоемкости имеют высокую температуру отходящих газов и вследствие этого низкий (не более 0,4) коэффициент полезного действия печи за счет недоиспользования тепла, содержащегося в отходящих газах.
Описание железного экономайзера дано в описании печи типа № 16, а его установка показана на фиг. 16.
Экономайзер присоединяется одним патрубком к печи, а другим — к дымовой трубе. Экономайзер сильно повышает теплоотдачу печи, отдавая по 2000—2200 ккал/час с 1 м2 своей поверхности.
Так, при установке экономайзера к печи типа № 16 теплоотдача агрегата увеличивается с 1700 до 6000 ккал/час.
Экономайзеры могут изготовляться с теплоотдающей поверхностью различной величины.
В корпус экономайзера может быть вделан духовой шкаф (см. фиг. 16) для приготовления и разогревания пищи
Экономайзер как указывалось при описании печи типа № 16, является и искроуловителем.
25. Железные дымовые трубы
Железные трубы ставятся к печам малой теплоемкости с двойной целью:
1) для отвода дыма наружу непосредственно или путем присоединения железной трубы к постоянной дымовой трубе;
2) для увеличения теплоотдачи печи, используя нагретую проходящими газами трубу, как теплоотдаюшую поверхность.
Диаметр их должен быть не менее 130 мм и не более 250 мм и длина — не более 10 м.
Потребная длина труб определяется по величине часовых теплопотерь помещения, не покрываемых печью, и по теплоотдаче 1 пог. м трубы согласно табл. 28.
Таблица 28
Теплоотдача 1 пог. м железной трубы
|
№
|
Диаметр трубы в мм
|
Поверхность 1 пог. м трубы в м2
|
Теплоотдача 1 пог. м в ккал/час
|
|
1
|
130
|
0,40
|
360
|
|
2
|
140
|
0,44
|
390
|
|
3
|
150
|
0,47
|
420
|
|
4
|
160
|
0,50
|
450
|
|
5
|
170
|
0,53
|
470
|
|
6
|
180
|
0,56
|
500
|
|
7
|
190
|
0,60
|
540
|
|
8
|
200
|
0,63
|
560
|
|
9
|
210
|
0,66
|
590
|
|
10
|
220
|
0,69
|
620
|
|
11
|
230
|
0,72
|
640
|
|
12
|
240
|
0,75
|
670
|
|
13
|
250
|
0,78
|
700
|
Примечание. При подсчетах принята средняя теплоотдача с 1 м2 поверхности железной трубы 900 ккал/час.

Фиг. 19.
26. Противопожарные устройства
Печи малой теплоемкости должны устанавливаться от возгораемых конструкций здания (стен, потолков и пр.) на расстоянии не менее 1 м для металлических печей и не менее 0,7 м для печей кирпичных и изразцовых.
Для конструкций, защищенных от возгорания, это расстояние может быть уменьшено до 0,7 м для металлических печей и до 0,5 и для кирпичных и изразцовых печей.
При установке кирпичных и изразцовых печей малой теплоемкости на деревянном полу основание должно быть сделано из трех рядов кирпича на глиняном растворе, по предварительно уложенному асбесту или войлоку, вымоченному в глине, или по глиняной смазке.
При отсутствии изоляции основание делается из четырех рядов кирпича или слоя глины толщиной 25 см.
Перед фронтом печи должен быть прибит предтопочный лист кровельного железа 50х50 см или сделана того же размера кирпичная выстилка в один ряд кирпича.
Металлические печи могут устанавливаться на изолированный пол непосредственно или на ножках.
При установке металлических печей непосредственно на деревянном полу (без ножек) основание под печь должно быть выполнено из четырех рядов кирпича на глиняном растворе, причем два нижних ряда кладки пускается делать с шанцами (пустотами), закладывая снаружи отверстие шанцев кирпичом.
Внутренняя часть кирпичного основания может быть заполнена песком или шлаком.
Допустимо также устройство основания под печь из кирпича-сырца или глины при толщине не менее 25 см.
При установке железных печей на ножках пол изолируется кровельным железом по войлоку в два слоя вымоченному в глине, или выкладкой кирпича плашмя, в один ряд на глиняном растворе.
Во всех случаях изолируемая площадь пола должна выступать за периметр печи перед топкой на 50 см и с боков не менее чем на 25 см.
Дымовые трубы для печей малой теплоемкости можно изготовлять из 7—8-килограммового кровельного железа толщиной 0,9—1,0 мм.
Отдельные звенья трубы должны быть вдвинуты одно в другое на длину не менее 0,5 диаметра по направлению движения дымовых газов.
Железная труба должна плотно соединяться с кирпичной дымовой трубой и входить в кладку на 10 см, причем место соединения должно тщательно промазываться глиной.
При наличии дымовых каналов в кирпичных стенах или кирпичных труб — выводить металлические трубы от печей через окно не следует.
В случае неизбежности вывода трубы через окно в последнее должен быть вставлен асбестовый или из кровельного железа лист размером не менее трех диаметров трубы.
Конец трубы необходимо выводить за стену здания не менее чем на 0,70 м и заканчивать направленным вверх патрубком с колпаком для предохранения от искрения и попадания атмосферных осадков. На дымовых трубах перед выпуском их из помещения необходимо устанавливать задвижку.
Для труб, проходящих через возгораемые конструкции, необходимо устраивать песочницу в виде воронки из кровельного железа, заполненной песком, и изолировать возгораемую конструкцию. Края песочницы должны отстоять от дымовой трубы на расстоянии не менее 25 см.
В случаях прокладки труб в помещении под деревянным потолком или у возгораемых стен и перегородок они должны отстоять от них не менее чем на 0,7 м, а при применении изоляции — на 0,5 м.
Трубы, располагаемые горизонтально под потолком помещения, должны прочно укрепляться на подвесках из проволоки. В сторону движения дымовых газов трубам должен быть придан подъем в 1/40.
Присоединение труб к вентиляционным каналам не допускается.
Для предупреждения появления в стенках кирпичных печей трещин, опасных в пожарном отношении, кладка должна вестись с соблюдением следующих правил:
1) красный кирпич перед кладкой должен быть предварительно вымочен до прекращения выделения из кирпича пузырьков воздуха; гжельский и огнеупорный кирпичи не вымачиваются;
2) швы кладки должны быть наименьшей толщины — кладка в «притирку»;
3) перекрытие проемов топочного и поддувального отверстий делать клинчатой перемычкой или «в замок»;
4) в зазор между рамкой дверцы и кладкой закладывать асбестовый шнур или смесь из глины и асбестовой мелочи.
Назад в раздел