Особенности вождения автомобиля в пустынно-песчаной местности





Материал нашел и подготовил к публикации Григорий Лучанский

Источник: Xрисанф Васильевич Власов, Иван Егорович Евтюхин, Юрий Федорович Серебряков. Вождение автомобиля в сложных условиях. (Издание второе, дополненное). Военное издательство Министерства обороны СССР, Москва, 1964 г.


Особенности вождения автомобиля в пустынно-песчаной местности 

1. Характеристика климатических и географических условий районов пустынно-песчаной местности

 

Особенности засушливых районов Часть территории юго-восточных районов СССР занята пустынями и полупустынями. Рельеф песчаных пустынь неустойчив, поскольку ветер переносит пески и постепенно изменяет элементы рельефа.

Начало передвижения песков зависит от размеров песчинок и скорости ветра у поверхности земли (табл. 8).


Перемещение песчинок по направлению ветра вызывает общее движение поверхностных слоев песка (рис. 44).

Различают следующие характерные формы рельефа песчаных пустынь, образующегося под действием ветра: барханы, барханные цепи, песчаные гряды, бугристые пески.

Пустынные районы характеризуются высокой температурой окружающего воздуха и почти полным отсутствием растительности. Температура воздуха в пустынях летом колеблется от 50 – 60° С днем до 5° С и ниже ночью. При этом температура грунта может достигать 70° С. Относительная влажность воздуха днем в летнее время низкая и составляет 30 – 40%. Источники воды в пустынях встречаются редко и в большинстве случаев представляют собой колодцы с малым запасом воды. Вода в колодцах зачастую непригодна для питья и заправки системы охлаждения двигателя. Характерная особенность пустынно-песчаной местности – сильные ветры.





Одной из особенностей движения автомобилей в летнее время по грунтовым дорогам в пустынно-песчаной местности является большая запыленность воздуха при любом ветре. При движении автомобилей высокая температура и низкая влажность воздуха способствуют созданию густых облаков пыли (рис. 45). Сильная запыленность воздуха происходит из-за сдвига ведущими колесами слабо связанного грунта и завихрения воздуха, усиливающегося при повышении скорости движения автомобиля.

Нормальная запыленность воздуха у дорог равна 0,6 – 0,7 г/м3. При тяжелых дорожных условиях она возрастает до 2 – 2,5 г/м3. При движении автомобильной колонны по песчаной местности запыленность воздуха достигает 4 г/м3. Следует отметить, что при запыленности воздуха 1,5 г/см3 дорога не просматривается.

В облаке запыленного воздуха, окружающем движущийся автомобиль, содержание пыли различно на различной высоте от грунта. На высоте 0,9 – 1,7 м содержание пыли уменьшается на 30 – 35%, на высоте 2,2 м – на 70 – 80% по сравнению с содержанием ее непосредственно над дорогой. В подкапотном пространстве пыли содержится на 20 – 35% меньше, чем снаружи на этой же высоте.

При движении автомобиля пыль засасывается в двигатель вместе с воздухом, проникает в сальниковые  уплотнения агрегатов силовой передачи и их картеры, а также в сочленения тяг рулевого управления, вызывая их повышенный износ.

 

Дорожные условия 

Пустынно-песчаная местность характеризуется тяжелыми дорожными условиями. Дорожная сеть в пустыне развита слабо, а движение вне дорог крайне затруднено. Дороги песчаной местности имеют солончаковые, лёссовые участки и участки с незакрепленными песками (рис. 46).


Движение автомобилей по лёссовой местности после выпадения осадков затруднено. Дороги, проходящие в местах незакрепленных песков, заносятся песком, передвигаемым ветром. Одним из способов борьбы с движущимися песками является установка щитов. Щиты против песчаных заносов имеют меньшие просветы, чем против снежных заносов.

 

2. Подготовка автомобиля к эксплуатации в пустынно-песчаной местности

 

Для работы в пустынно-песчаной местности автомобили обеспечиваются комплектом табельного имущества и средствами повышения проходимости.

 

Табельное имущество 

В табельное имущество, кроме инструмента водителя, входят шанцевый инструмент, противопожарный и заправочный инвентарь, буксирный трос и др. Размещение табельного имущества и его крепление на автомобилях должно обеспечивать сохранность и применение без дополнительной перекладки груза в кузове.

Саперная лопата, например, на автомобиле ГАЗ-63 крепится снизу пола платформы кузова между первым и вторым поперечными брусьями с помощью зажима и пластинчатой скобы. Топор укладывается за спинкой сиденья. Буксирный трос на автомобилях размещается в инструментальном ящике. Длина буксирного троса 4 м, а жесткого буксира – 2,5 м. Размещение табельного имущества на автомобиле ГАЗ-63 показано на рис. 47, 48 и 49.





 

Средства повышения проходимости 

Наиболее эффективными средствами повышения проходимости и самовытаскивания автомобилей при эксплуатации в пустынно-песчаной местности являются якори-самовытаскиватели, противобуксаторы, дорожки из прутьев и дорожки из металлической сетки. При застревании автомобиля в песках якори-самовытаскиватели устанавливают у передних колес.

Противобуксатор  – наиболее простое и удобное приспособление для самовытаскивания автомобилей, застрявших в песках.

Дорожки из прутьев и металлической сетки применяются для преодоления автомобилями сыпучих (незакрепленных) песков (рис. 50 и 51).

 




3. Особенности работы автомобиля в пустынно-песчаной местности 

Высокая температура окружающего воздуха и большая запыленность его затрудняют эксплуатацию автомобилей в пустынно-песчаной местности. При повышении температуры воздух становится менее плотным, пары бензина увеличиваются в объеме, поэтому в цилиндры поступает меньший весовой заряд горючей смеси, что приводит к снижению мощности двигателя. Большая запыленность воздуха вызывает повышенный износ трущихся деталей и другие неисправности, нарушающие нормальную работу автомобиля.

В этих условиях ускоренно изнашиваются двигатели вследствие абразивного действия пыли, засасываемой вместе с воздухом в двигатель. Подобный износ приводит к снижению мощности двигателя, к увеличению расхода горючего и смазочных материалов и к преждевременному ремонту двигателя.

Обычные конструкции автомобильных воздухоочистителей в условиях повышенной запыленности воздуха не обеспечивают необходимой очистки, быстро забиваются пылью и после продолжительной работы прекращают очистку проходящего через них воздуха.

Даже при наилучших условиях очистки воздуха (99%) при запыленности 0,6 г/м3 за 1000 км пробега в двигатель поступит пыли (в граммах): ГАЗ-51 – 38,5; ЗИЛ-120 – 50,4; ЯАЗ-204 – 126.

Дорожная пыль, имеющая в своем составе до 70 – 80% кварцевых частиц, обладает сильнейшими абразивными свойствами, так как твердость кварца превосходит твердость металлов, применяемых для изготовления трущихся деталей двигателя. Попадая на трущиеся поверхности, смешанная с маслом пыль образует своеобразную пасту, которая служит причиной быстрого износа поршневых колец, цилиндра, поршня и впускных клапанов, а при недостаточной работе маслофильтра – шеек коленчатого вала и вкладышей.

Принято считать воздух технически чистым, если в нем содержится пыли не более 0,001 г/м3. Запыленность воздуха в лесной местности с обильным растительным покровом составляет 0,0005 – 0,001 г/м3.

Опыт эксплуатации автомобилей показывает, что пыль, оседая на радиаторе, особенно при подтекании воды, уменьшает теплоотдачу. Работа приборов электрооборудования автомобилей в условиях большой запыленности воздуха нарушается в основном из-за попадания частиц мелкой пыли между контактами прерывателя, реле-регулятора и под щетки генератора. При этом двигатель работает с перебоями, нарушается стабильность напряжения и быстро изнашиваются коллектор якоря и щетки генератора.

При высокой температуре окружающего воздуха из-за испарения воды уровень электролита в банках аккумуляторных батарей быстро понижается.

Не меньший вред приносит пыль механизмам и агрегатам силовой передачи ходовой части и другим агрегатам.

В агрегаты силовой передачи пыль попадает через сапуны и сальниковые уплотнения. Попавшая в них пыль смешивается с маслом, в результате чего образуется как бы шлифовальная паста, вызывающая износ шестерен и подшипников.

В подшипники колес пыль попадает также через сальниковые уплотнения. Пыль, проникающая через оплетку вала привода спидометра, приводит к заеданию гибкого вала.

В результате попадания пыли наблюдается интенсивный износ сочленений рулевого управления и поворотного кулака передних колес. Эксплуатация автомобилей в пустынно-песчаной местности в условиях высокой температуры сопровождается специальными мерами по уплотнению и защите механизмов, агрегатов и приборов автомобилей от пыли, по организации и проведению технического обслуживания.

Для обеспечения нормальной работы автомобилей в этих условиях обслуживание проводится в более сокращенные сроки, а именно: техническое обслуживание № 1 – через 700 – 800 км пробега, а техническое обслуживание № 2 – через 3500 – 4000 км пробега.

 

4. Подготовка и обслуживание автомобиля при эксплуатации

в пустынно-песчаной местности 

Неисправности двигателей при эксплуатации автомобилей в пустынно-песчаной местности в большинстве случаев вызваны нарушением нормальной работы системы питания, зажигания и смазки из-за попадания в них пыли. Именно поэтому защита двигателя, а также других агрегатов и узлов автомобиля от проникновения пыли имеет первостепенное значение.

Для защиты от пыли и песка лучшим средством является установка дополнительных фильтров и пыленепроницаемых или пылеполупроницаемых чехлов. К пылеполупроницаемым материалам можно отнести бязь, шерстяную ткань и др.; к пыленепроницаемым – клеенку, брезент и др.

 

Уход за системой питания 

При работе автомобилей в условиях большой запыленности воздуха основное внимание обращают на предотвращение попадания пыли в цилиндры двигателя.

Для этого воздухоочистители содержат в исправном состоянии, ежедневно промывают сетки воздухоочистителей и проверяют уровень и чистоту масла в ванне. При загрязнении масло заменяют.

Мелкая пыль может попасть в цилиндры из-за загрязнения горючего. Загрязнение горючего может вызвать перебои в работе двигателя. В полевых условиях заправку автомобилей горючим производят закрытой струей через воронки с металлическими сетками. Горловины бензиновых баков перед заправкой и снятые на время заправки крышки тщательно протирают от пыли.

Отстойники и фильтры системы питания при эксплуатации автомобилей в пустынно-песчаной местности проверяют, как правило, через 300 км пробега. Однако практика эксплуатации автомобилей в условиях запыленности воздуха 0,5 г/м3 подтверждает, что фильтры воздухоочистителей автомобилей ГАЗ-51 и ГАЗ-63 необходимо промывать через 6 – 7 ч работы, так как после этого способность их очищать воздух резко ухудшается.

Для предотвращения испарения бензина на стоянках автомобиль ставят бензиновым баком в теневую сторону или укрывают брезентом (щитами).

 

Уход за системой смазки двигателя 

Вязкость масла в картере двигателя с повышением температуры снижается. Это обязывает водителя обращать внимание на возможное подтекание масла через прокладки и сальники при их незначительном повреждении или при износе, чаще проверять уровень масла и подтягивать болтовые соединения в разъемах картеров всех агрегатов.

При заправке двигателя масло, особенно в полевых условиях, предварительно фильтруют. Щель в отверстии для указателя уровня масла уплотняют фетровой шайбой с колпачком на щупе. Повышенные требования предъявляются также и к элементам фильтров тонкой и грубой очистки. Элементы масляных фильтров тонкой очистки заменяют чаще, чем это установлено при работе автомобиля в нормальных условиях, т. е. не реже чем через 1500 км. Фильтр грубой очистки очищают при ежедневном проворачивании рамы фильтра на один – два оборота.

 

Уход за системой охлаждений 

Вследствие высокой температуры окружающего воздуха часто приходится дозаправлять систему охлаждения, так как при исправной системе потеря охлаждающей воды от испарения составляет 10 – 25 л в сутки. Частое пополнение системы охлаждения свежей водой приводит в конечном счете к большому отложению накипи и к ухудшению теплообмена. Учитывая это, систему охлаждения заправляют более мягкой водой. Для предотвращения попадания в систему песка воду при заправке фильтруют. При заправке стараются избегать расплескивания воды, так как мокрые трубки радиатора быстро покрываются пылью, что также нарушает нормальную работу системы охлаждения.

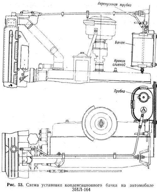
При работе вдали от источников воды автомобили обеспечивают возимым запасом воды в размере 1 – 2 заправок. Для снижения расхода воды на автомобиль устанавливают конденсационный бачок (рис. 52).





Конденсационный бачок на автомобиле ЗИЛ-150 (ЗИЛ-164) размещается под капотом двигателя (рис. 53). Одновременно с заправкой системы охлаждения в бачок заливают 1,5 – 2 л воды так, чтобы конец трубки, соединяющей резервуар радиатора с бачком, находился в бачке ниже уровня воды. Пробку радиатора, а также пробку конденсационного бачка плотно заворачивают.

 

Уход за электрооборудованием 

Уход за электрооборудованием при работе, сводится в основном к защите от пыли приборов, к регулярной смазке подшипников и трущихся поверхностей, а также к контролю уровня электролита в аккумуляторных батареях.

Прерыватель-распределитель защищают от пыли чехлом (рис. 54), который изготовляется из байки. Изготовлять пылезащитные чехлы из брезента и парусины не рекомендуется, так как они непроницаемы для воздуха и при работе не обеспечивают достаточной вентиляции полости распределителя.

 


Генератор защищают от пыли сетчатым фильтром. Для лучшей защиты генератора сетчатый фильтр покрывают полупроницаемым материалом. Чехлы для защиты распределителя и генератора очищают от пыли ежедневно, так как при сильном загрязнении уменьшается их способность пропускать воздух.

Уровень электролита в банках аккумуляторных батарей также проверяют ежедневно и доводят до нормы, добавляя дистиллированную воду, которая (в количестве 1 л) дается на каждый автомобиль при выезде в дальний рейс.

 

Уход за механизмами силовой передачи и ходовой части 

При движении автомобилей по пыльным дорогам наибольшая запыленность воздуха создается в зоне механизмов силовой передачи и ходовой части. Пыль проникает в картеры механизмов, в подшипники шарниров карданных валов, подшипники ступиц колес, в главный тормозной цилиндр, в сопряжения пальцев рулевых тяг и шкворней поворотных кулаков передних колес.


В картерах агрегатов силовой передачи пыль смешивается с маслом и способствует интенсивному износу трущихся деталей. Проникновение пыли через сальниковые уплотнения приводит к преждевременному выходу подшипников из строя, а также к разрушению сальников и износу шеек валов в зоне этих сальников.

Шарниры карданных валов (рис. 55), сочленения тяг рулевого управления и сферическую поверхность шаровой опоры поворотного кулака переднего ведущего моста защищают от пыли пыленепроницаемыми чехлами из брезента и парусины. Основные мероприятия по обслуживанию агрегатов и деталей силовой передачи сводятся к очистке их от пыли, к проверке наличия и качества смазки, а также к регулярной смазке узлов и сочленений.

Состояние и плотность защитных чехлов проверяют ежедневно. При этом очищают от пыли сапуны агрегатов силовой передачи, а также смазывают пальцы рессор, пальцы тяг рулевого управления, шкворни поворотных кулаков и другие трущиеся детали ходовой части.

Независимо от температуры окружающего воздуха давление в шинах поддерживают в пределах нормы. Корректировка давления воздуха в шинах в связи с изменением температуры воздуха днем и ночью не производится.

 

5. Обеспечение марша

 

Особенности вождения автомобиля по песчаной местности

 

Наличие песчаных участков пути и песчано-лёссовых дорог затрудняет движение автомобиля. При движении по песку колеса автомобиля погружаются в него, отчего возрастает общее сопротивление качению (движению). При этом уменьшается сила тяги автомобиля по сцеплению, что вызывает повышенное буксование ведущих колес. При движении по песчано-лёссовой дороге в сухую погоду создается густое облако пыли, затрудняющее движение автомобилей в колонне. При выпадении дождя лёссовые дороги размокают, и движение по ним становится крайне сложным в силу большего сопротивления движению.

Вождение автомобилей по песчаной местности требует от водителя навыков в преодолении труднопроходимых участков пути и в управлении автомобилем в условиях ограниченной видимости.

Участки пути с незакрепленными песками автомобили преодолевают на пониженной передаче. Направление выбирают так, чтобы при движении избежать крутых поворотов и переключения передач. Преодолевая песчаные участки пути малой протяженности, водитель использует инерцию автомобиля. Резкие повороты при движении по песку не допускаются, так как при этом создаются песчаные валы перед передними колесами, а это обычно приводит к застреванию автомобиля. При погружении колес автомобиля в песок следует срыть песок перед передними и задними колесами и продолжать движение. Если это не помогает, то применяют средства повышения проходимости автомобилей в песках.

Движение по песчаным буграм и барханам совершают только после предварительной разведки местности. Разведку направления движения производят и при преодолении солончаков. Движение автомобилей в солончаках так же затруднено, как и в песках.

Особую трудность представляет движение автомобилей по песчано-лёссовым дорогам в сухую погоду. Запыленность воздуха ухудшает видимость, поэтому дистанцию между автомобилями увеличивают до пределов, обеспечивающих безопасность движения. Если автомобиль при движении попал в зону густой пыли, водитель обязан снизить скорость движения и тем самым увеличить дистанцию.

Практика эксплуатации автомобилей подтверждает, что средняя скорость движения по песчано-лёссовым дорогам составляет 15 – 20 км/час, по незакрепленным пескам – 10 км/час и менее.

При совершении марша в составе автомобильной колонны движение автомобилей следует направлять по колее впереди идущего автомобиля, так как в этом случае уменьшается сопротивление движению.

При движении автомобилей в составе колонны по песчано-лёссовым дорогам скорость снижается примерно на 10% от скорости движения одиночных автомобилей. Лучшим временем суток для работы двигателя при совершении марша являются ночь и раннее утро.

 

Обеспечение марша по дорогам пустынно-песчаной местности

 

Ограниченное количество населенных пунктов, однородная поверхность местности и в некоторых случаях большое количество следов затрудняют ориентировку направления движения автомобилей в пустынно-песчаной местности.

При организации движения автомобилей в этих условиях предварительно изучают заданный маршрут по карте. Но этого часто бывает недостаточно. Для успешного совершения марша обычно дополнительно разведывают наиболее труднопроходимые участки местности, а также наличие и пригодность воды для бытовых и технических целей.

Исходя из характера препятствий на пути движения автомобили обеспечивают средствами повышения проходимости. На участках, наиболее затрудняющих движение, устанавливают посты технической помощи. Кроме обычных средств и материалов, эти посты располагают средствами буксирования или дополнительным запасом колейных дорожек из металлической сетки, а также необходимым количеством воды, горючего и смазочных материалов, дров и запасных частей.

В техническом замыкании автомобильной колонны содержат и средства, обеспечивающие эвакуацию застрявших автомобилей, а также необходимый запас воды для технических нужд. Обычно в состав технического замыкания выделяют автомобили повышенной проходимости с лебедкой. При организации движения в пустынно-песчаной местности большое значение имеет организация регулирования движения. Посты регулирования устанавливают на участках ограниченной проходимости, а также в местах, где затруднены ориентирование и отыскание направления движения. Направление движения автомобилей в этих районах обозначают также и указками (вехами).

Движение автомобилей по заранее разведанным путям обычно совершается ночью, так как работа водителей днем в условиях высокой температуры окружающего воздуха очень утомительна.

После преодоления препятствий в ходе совершения марша предусматривается также время на остановку машин для контрольного осмотра и необходимого технического обслуживания.

Сопротивление движению по песку приводит к уменьшению тягового усилия на крюке, в связи с чем фактическая загрузка автомобиля при эксплуатации его в пустынно-песчаной местности уменьшается на 20 – 25% по сравнению с номинальной.



Назад в раздел


Пишите нам:
aerogeol@yandex.ru